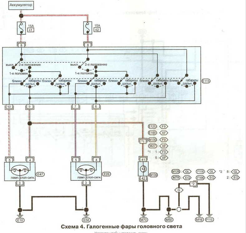
Схема электрики гологенных фар головного света в Ниссан Примера п12 2002, 2003, 2004, 2005, 2006, 2007 и 2008 года выпуска.

Мехзавод|гаражный вопрос |
Привет, Гость! Войдите или зарегистрируйтесь.
Вы здесь » Мехзавод|гаражный вопрос » Эксплуатация авто » Электросхема фар Nissan Primera P12 2002-2008
Схема электрики гологенных фар головного света в Ниссан Примера п12 2002, 2003, 2004, 2005, 2006, 2007 и 2008 года выпуска.

Вы здесь » Мехзавод|гаражный вопрос » Эксплуатация авто » Электросхема фар Nissan Primera P12 2002-2008